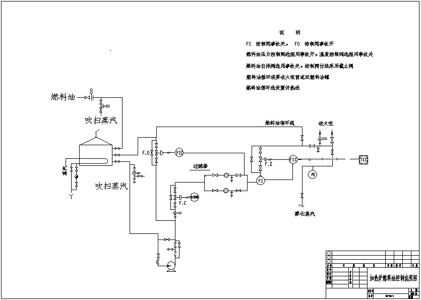
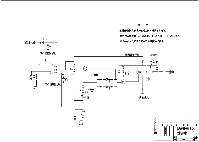
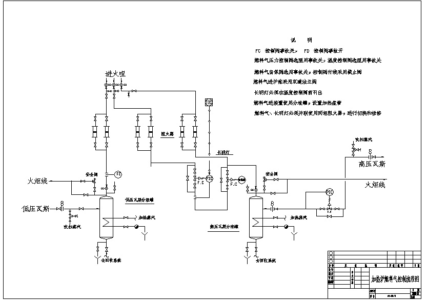
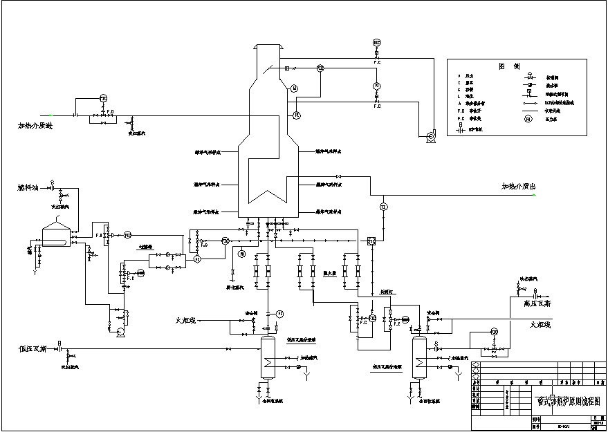
管式加熱爐流程圖
來源:admin 發布時間:2018-06-02 10:50:00 瀏覽次數:2970次
山東博宇重工科技有限公司團隊致力于管式加熱爐安裝、維修多年,有豐富的經驗,能處理各種管式加熱爐相關的問題,一次合作,終身難忘。沒有中間商賺差價,廠家直接發貨,價格給你優惠到很低,你值得擁有。
上一篇:管式加熱爐管損壞的原因
上一篇:管式加熱爐檢修安全措施


